
20251003
客戶提出B型滾齒補強方式可滿足客戶需求,但D型部位磨損
修改製程將軸心製作熱處理增加強度,重新製作後提供客戶再次測試確認

20250930
提供三款補強方式供客戶測試



20250904
分析結果一孔柱可承受600KG,可設計3個孔柱增加藍牙

20250901

2025年8月25日
IDP響應修改設計方式


2025年8月20日
客戶反映蝸輪負載噸數800KG脫開



20251003
客戶提出B型滾齒補強方式可滿足客戶需求,但D型部位磨損
修改製程將軸心製作熱處理增加強度,重新製作後提供客戶再次測試確認

20250930
提供三款補強方式供客戶測試



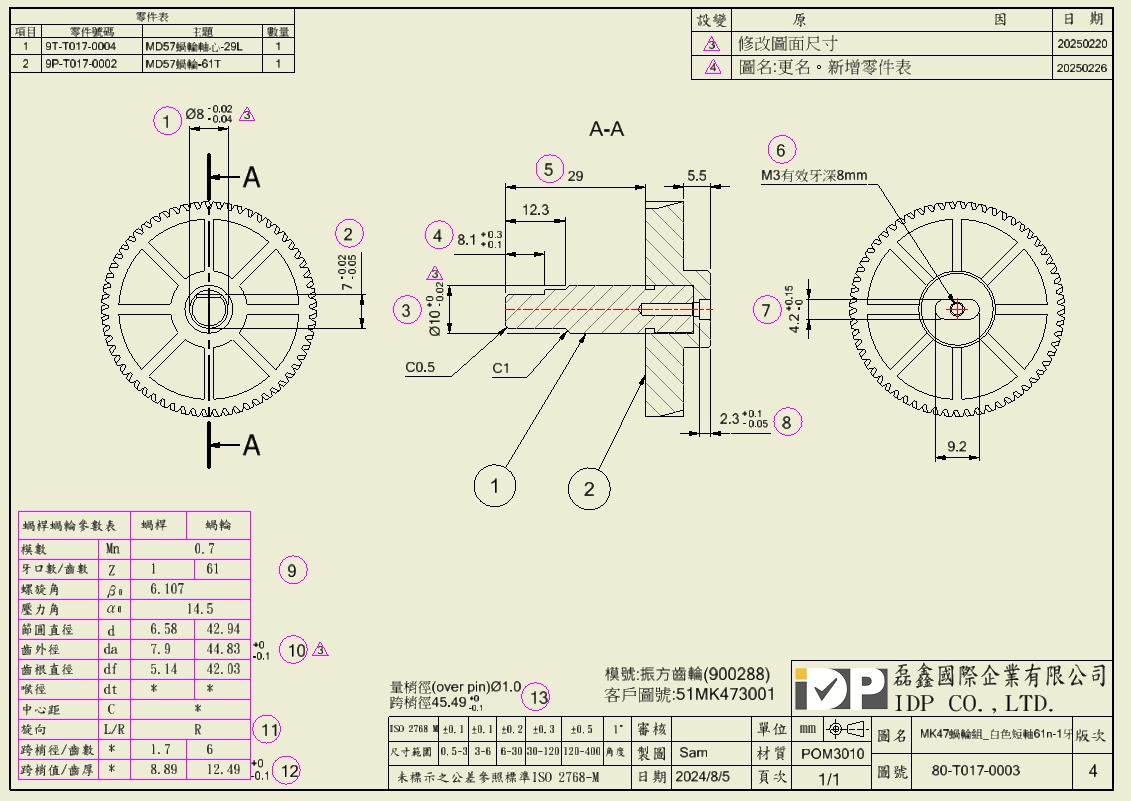
20250904
分析結果一孔柱可承受600KG,可設計3個孔柱增加藍牙

20250901

2025年8月25日
IDP響應修改設計方式


2025年8月20日
客戶反映蝸輪負載噸數800KG脫開


