
20251210
計算此產品重量約190g(第三方馬達)
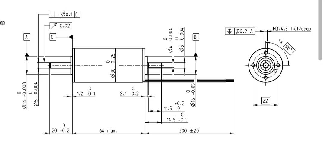
材質部分:上下殼為鋁6061,內齒輪與輸出軸為SUS304,內部齒輪為SCM415L
20251209
回覆需求訊息
尋找耐低溫-55良好潤滑油適用規格



20251119
客戶詢問統計比

20251112
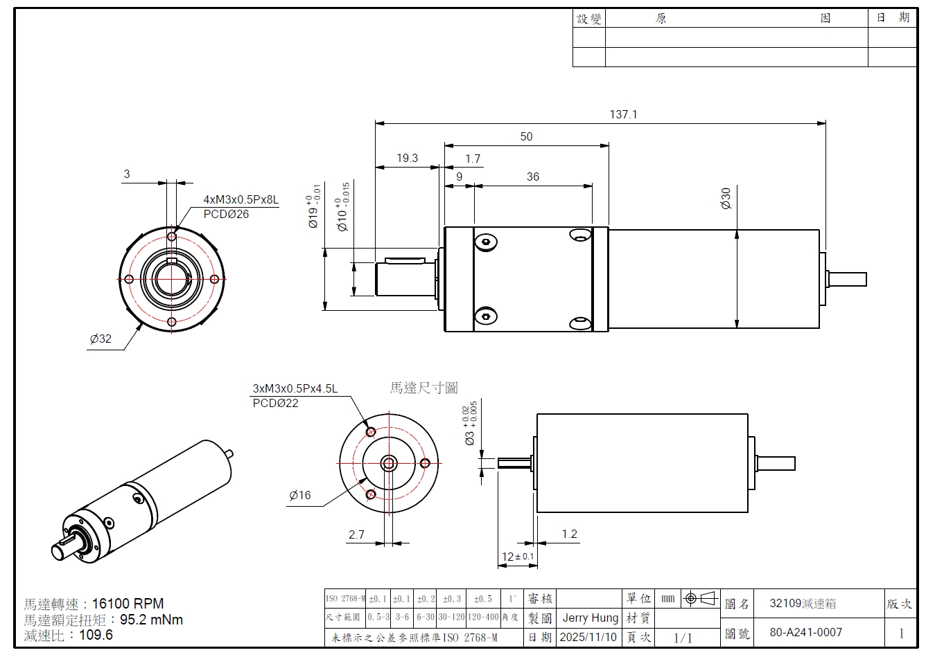
客戶希望箱體結構長度降到50
回覆客戶馬達出軸與鎖孔尺寸須依IDP提供尺寸即可將倉庫箱長度長度至50mm

20251111


20251110
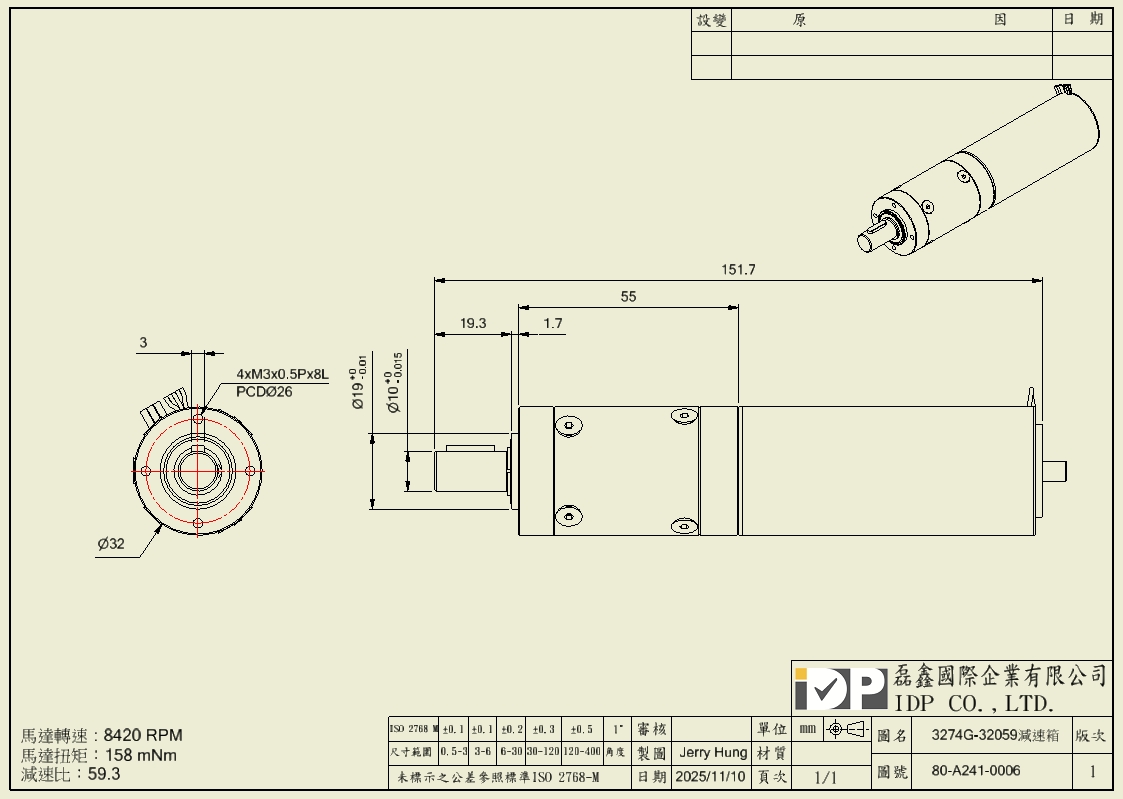
需做鹽霧與振動測試,產品外觀採用不銹鋼材質
規劃設計使用北河FAULHABER馬達3274BP4馬達搭配IDP節省箱59.3比

20251106
鑫麒航客戶提出32箱需求
目前客戶使用MAXON馬達與渦流箱,希望朝國產化設計製造







