第一頁: 設計歷程
第二頁:蝸輪設計規劃

A351
115.02.06

115.02.05


會議資訊







115.02.04

0.65kg-cm 約0.564in-lbs
115.01.30
回覆客戶詢問

雙頭圓鍵

庫存23
客戶詢問:
詢問1

詢問2

詢問3

詢問1
回覆
客戶原圖,啟動扭矩需求

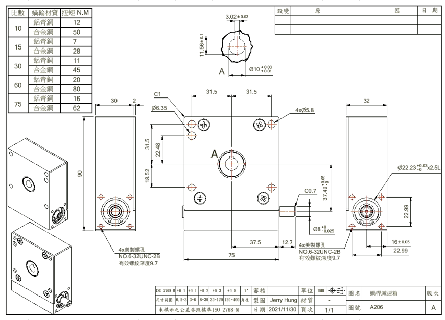
60比輸入啟動扭矩0.014N-m

給客戶輸入啟動扭矩

單位換算

15比蝸桿減速箱(軸承雙蓋式),反向驅動扭矩0.65 kg-cm ≈ 0.0637 N-m ≈ 0.564 in-lbs


115.01.29


蝸輪設計規劃

兩款公英制齒輪滾刀,已調成蝸桿外徑為19.3mm,與30比蝸桿外徑相同可共用。
模數(M)1.8

徑節 (DP) 14

115.01.28




115.01.27
提供10比_圖面及刀具交期







115.01.26
提供圖面,確認10比品質及交期




蝸輪設計規劃



