walex.io
Log in
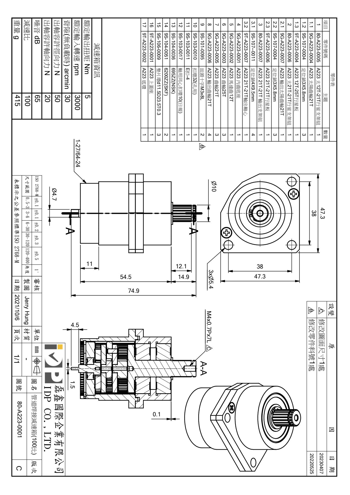
IDP - A223 - 管隧道100比 - 量產圖面
created:
2024-11-28 03:06:28
modified:
2024-12-27 06:12:21
public
機構工程師-陳琮勝-Sam
A223 - 管隧道100比
A223 管隧道100比量產圖面