walex.io
Log in

EKB-20250412-80-A020-0010-黑色滾輪檢驗標準分析(華泰/唯塑)-Jack

created: 2025-04-12 02:11:17modified: 2025-06-10 07:34:16
public
品保-蕭舜中-Jack

目錄

第1頁:黑色滾輪檢驗標準

第2頁:限度樣品limit sample照片

第3頁:檢驗記錄過程

第4頁:驗收標準

第5頁:所有時期樣品比對

第6頁:整理相關驗收問題

第7頁:出貨報告記錄


20250411

黑色滾輪產品說明:黑色滾輪為客供料,經客戶說明該產品是出貨給日本應用於紡織機上,表面外徑會與紡紗線接觸會影響走功能至關重要,所以重新定義檢驗標準"表面粗糙度"即指是會造成表面任何痕跡的標準


黑色滾輪檢驗標準分析如下

一、研發與品保部制定檢驗標準與儀器。

1. 依圖面所示外徑尺寸31.95/-0.05。游標卡尺。

2. 加工時表面粗糙度須達0.8。表面粗糙度機。

表面粗糙度


圖面


二、參照檢驗標準依據ISO 4288:1996,以探針式表面粗糙度量測如下。


量測目標物

去除量測目標物表面的油或灰塵,如未指示量測方向,於高度方向參數(RaRz)為最大的量測方向設置目標物。


三、實際檢驗標準步驟:

1. 確認儀器設置

  • 開機後,選擇「Ra」作為測量參數(可依儀器支援 RzRt 等)。
  • 設定取樣長度,例如 0.8 mm 2.5 mm,視標準而定。

2. 檢查測頭與機器狀態

  • 確保觸針乾淨無損。

3. 工件準備

  • 工件需清潔、乾燥,避免油污與灰塵。
  • 工件固牢避免測量時晃動。

4. 擺放儀器

  • 將儀器底座或觸針與測量面垂直接觸。
  • 確保測針運動方向與加工紋路垂直。

5. 執行測量

  • 按下「測量」或「Start」鍵,儀器會自動掃描一段距離。
  • 測量完成後,螢幕顯示測量結果(如 Ra = 0.8 μm)。

6. 判定結果

  • 將結果與 Ra 0.8 的標準比較,判定是否合格。
  • 比對限度樣品limit sample

7. 記錄與保存數據

四、權責標準區分說明:

1.加工廠與磊鑫需符合外徑尺寸與表面粗糙度,並提供相關數據文件。

2.客戶端依承認後的標準進行驗收,符合標準即達該批收貨。

20250411

限度樣品limit sample照片


不良樣品照片(即外觀與表面粗糙度未達0.8)




檢驗記錄過程

20250414

客供料二種試樣,結果內部會有裂開情況。

20250421

客供料三種試樣

黑色滾輪同心度10~20條之間


影片連結

https://drive.google.com/file/d/

20250422

重修後黑色滾輪同心度7~10條之間

客供料三種試樣,結果外徑尺寸過小與外觀未達標準

外觀標準符合(2.5D投影)


外觀不良1(2.5D投影)


外觀不良2(2.5D投影)


外觀不良3


外觀不良4


外徑尺寸過小(標準31.90~31.95mm)




20250507

驗收標準

Acceptance   Criteria





20250509

所有時期樣品比對





整理相關驗收問題20250509








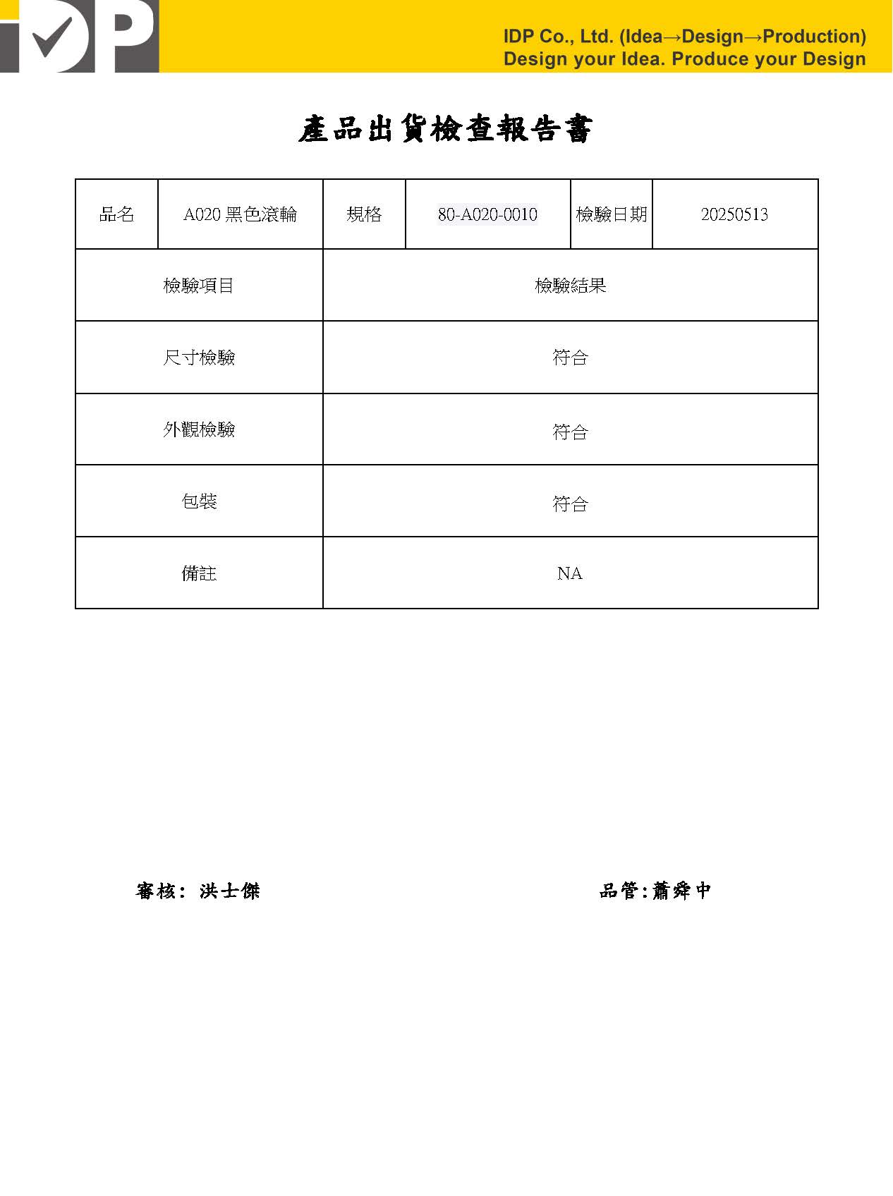
出貨報告記錄20250513



1
2
3
4
5
6
7