EKB-20250514-引擎螺栓鬆緊裝置-Sun
created: 2025-05-14 00:33:09modified: 2025-05-19 01:12:03public
回顧
需求
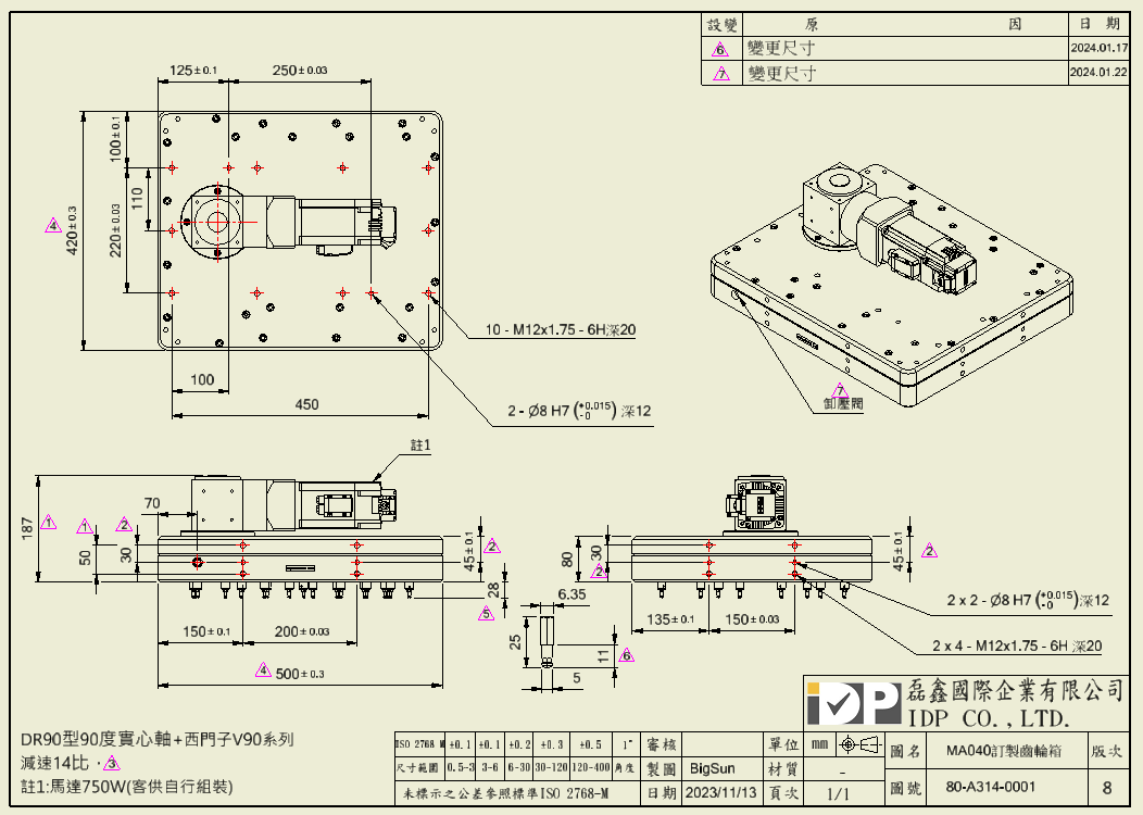
MA040訂製齒輪箱 一出26

設計

設計驗證
1/4"六角球型起子頭 _M6 對邊5mm

MA040訂製齒輪箱設計驗收連結
2024.03.20驗證資料 連結
需求
螺栓鬆開扭力值:
力矩設定值 23Nm
檢查力矩值 21~25Nm

機型 2款
HG15T 模型 一出22

HG20T 模型 一出22

鬆開扭矩需求,減速機及馬達計算選型link
第一次示意圖


齒輪強度計算

