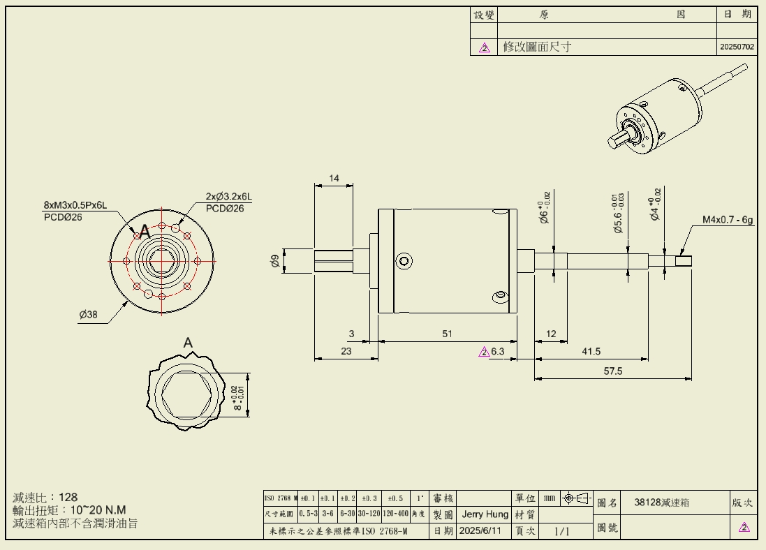
20250702
客戶提出尺寸修改


20250623
依客戶需求修改輸出軸尺寸


20250611

圖面3D建立,零件製作周期約1.5~2個月


2025年6月6日
待客戶確認後會先提出2台需求測試確認規格
2025年6月5日





鑫麒航客戶提出38箱需求,速比130
IDP可統計口徑比128,第一階8比,第二、三階4比
20250702
客戶提出尺寸修改


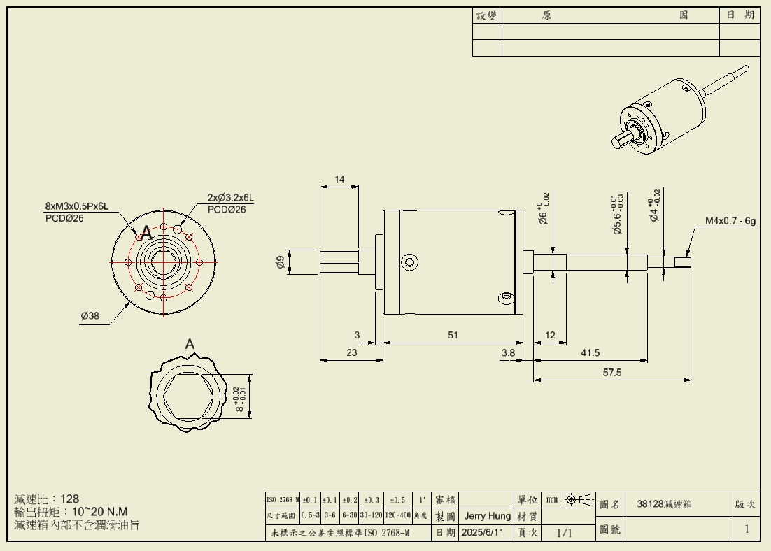
20250623
依客戶需求修改輸出軸尺寸


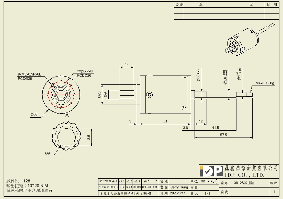
20250611

圖面3D建立,零件製作周期約1.5~2個月


2025年6月6日
待客戶確認後會先提出2台需求測試確認規格
2025年6月5日





鑫麒航客戶提出38箱需求,速比130
IDP可統計口徑比128,第一階8比,第二、三階4比
