

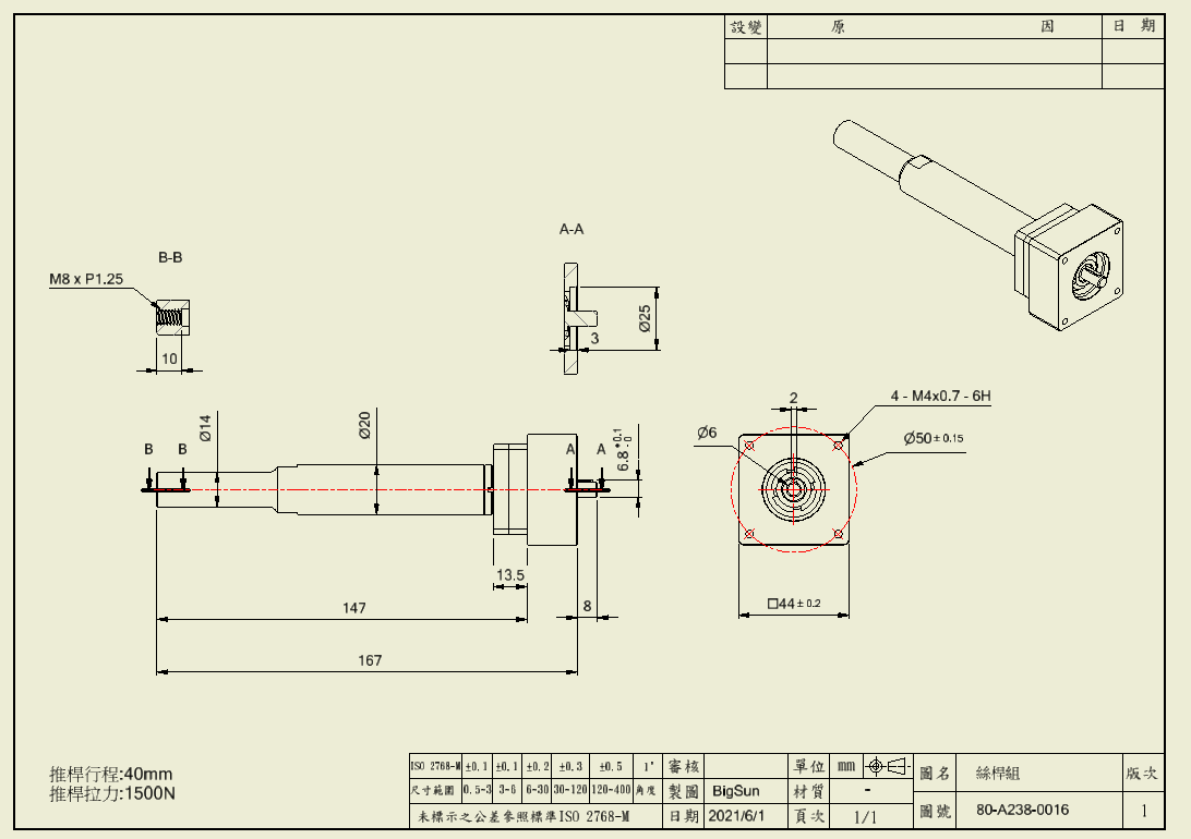
A238
114.10.20

114.09.30
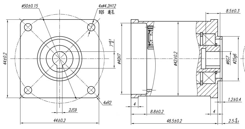
減速箱尺寸

114.09.28



1. 鎖緊螺母是標準件
2. 前耳螺距

114.09.26




114.07.28
A238

傳動總效率
90% X 42% = 37.8%
雙層行星減速機效率
95% X 95% = 90%
滑動螺桿效率
Tr12 x P2 雙牙梯形螺桿的傳動效率約為 42%
已知參數
-
螺紋規格:Tr12 x P2 雙牙
-
螺桿公稱直徑 d=12mm
-
螺距 Pitch P=2mm
-
雙牙 (2-start) → 導程 L=2×2=4mm
-
螺桿有效牙長:78 mm(影響摩擦距離)
-
假設螺帽材質為青銅,摩擦係數 μ=0.15
-
假設有效螺紋接觸角 ϕ=0∘(即未考慮摩擦角度的影響)
梯形螺桿效率估算公式
對於不自鎖的梯形螺桿,其效率 η 可估算為:
η=tan(λ+ϕ)tanλ
其中:
-
λ:導程角
-
ϕ=tan−1(μ/cosα),α 是螺紋半角,對於梯形螺紋,α ≈ 15°
① 導程角 λ 計算:
tanλ=π⋅dmL
tanλ≈π⋅114=0.1158⇒λ≈tan−1(0.1158)≈6.61∘
② 摩擦角 φ 計算:
ϕ=tan−1(cosαμ)=tan−1(cos15∘0.15)≈tan−1(0.155)≈8.8∘
③ 傳動效率 η:
η=tan(λ+ϕ)tanλ=tan(6.61+8.8)0.1158=tan(15.41)0.1158≈0.27560.1158≈0.42
結論:
這支 Tr12 x P2 雙牙梯形螺桿的傳動效率約為 42%。