walex.io
Log in

EKB-20250728-工研院輔導,分析建模委託 騰網承包-Sun

created: 2025-07-28 15:37:40modified: 2025-10-07 14:04:32
public
機構工程師-孫光復-Sun

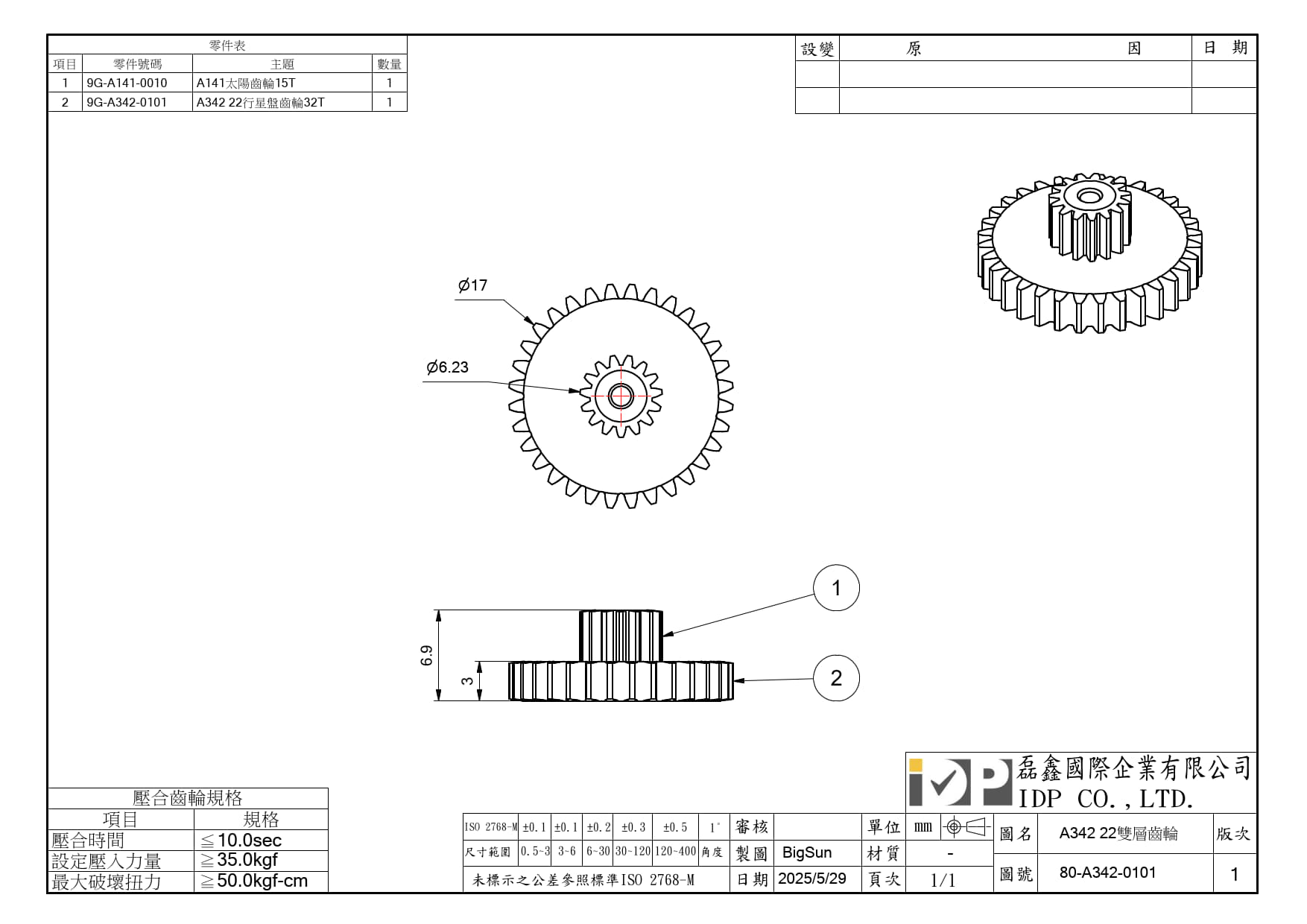
A342

114.07.31


114.07.29

B1及B2



114.07.28


 計畫目標說明


本計畫擬開發智慧化齒輪壓合系統,藉由即時記錄與監測壓合力量及位置曲線,並結合數據庫分析技術,實現對壓合參數(力、位置、時間)的最佳化調整。系統將調整壓合過程中的關鍵參數,達到精準控制壓合動作,顯著提升齒輪壓合品質之穩定性與一致性。另透過可拆換力量感測模組設計,使本系統能應對不同量級的測量需求,為生產線提供快速解決方案。


資料來源:SMR-TUMC-20250702-July-Brent

EKB推廣的協助:協助企業AI升級智慧製造... 

  • 生產資料收集/分析,由AI輔助提升良率及產品可靠性
  • 案例:傳統壓床-->伺服壓床(可控制性)+感測器收集生產資料(壓合過程的位置/壓力資料),再由收集的大數據進行分析找出最佳製造條件及原因分析(變數分析)進而提升良率。
  • 下圖為IDP正在進行中-產業發展署智慧製造補助案,實際案例更有利於推廣的口碑



壓合齒輪規格



22雙層齒輪圖面


32雙層齒輪圖面



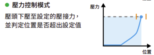
伺服壓床壓力控制模式,壓入22雙層齒輪,為例。

22雙層齒輪壓入條件摘要

項目  要求
壓力引入時間            ≦10秒
設定壓力輸入上限 ≧35 kgf(對 Ø3.5 mm)
最小壓入推力≧50 kgf·cm(對 Ø3.5 mm)


壓合OK條件判斷(以伺服壓床壓力模式為基礎)


可依據以下三項壓力輪廓(或力-位移曲線)進行 OK/NG 預判:

1. 力-位移曲線是否符合預期輪廓

  • 壓入過程中,力與位移呈一定斜率,符合標準壓入特性(正常配合干涉)。

  • 若力過大但位移未到目標 ⇒ 疑似卡死或異物(NG)。

  • 若位移過快、力太小 ⇒ 疑似間隙過大或壓入鬆動(NG)。

2. 最大壓入力值是否達標

  • 要求 ≧ 35 kgf(以 Ø3.5 mm 孔為例)⇒ 未達為 NG。

  • 可設定壓床閥值上下限判斷 NG/OK,例如:30 ~ 60 kgf。

3. 壓入時間是否異常

  • 正常應在 ≦10 秒完成。

  • 壓入時間過久 ⇒ 疑似卡住或摩擦異常(NG)。

  • 若使用位置監控,也可在特定時間點未達目標位移判定 NG。


壓合模擬數據link





EKB-20250613-伺服壓床5種控制模式 link


EKB-20241026-AI伺服壓床-link