walex.io
Log in
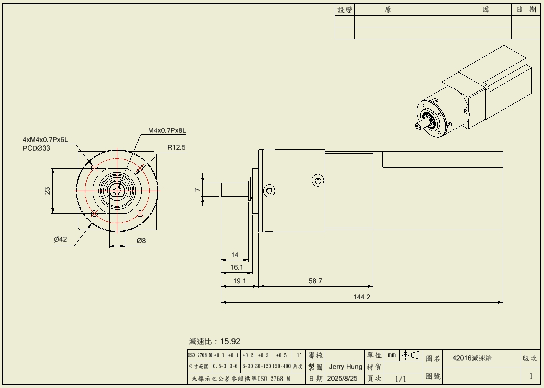
42016減速箱 鑫麒航
created:
2025-08-25 06:36:57
modified:
2025-08-25 06:41:34
public
經理-洪士傑-jerry
馬達規格書