
20250813
客戶更換馬達以減少總長度



20250811
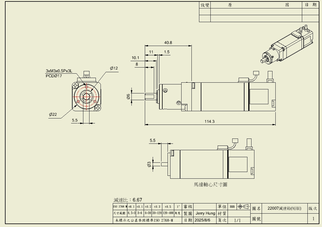
客戶不修改馬達軸心情況下外觀尺寸圖


2025年8月08日
客戶反應會牽涉相互問題,整體總長須減少20mm
對策改變內齒輪為一級,馬達軸心長度也減少使整體總長度減少


設計上最多減少約15mm,馬達軸心修改必須
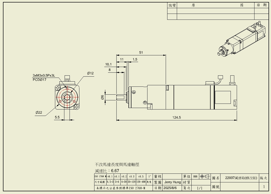
2025年8月6日
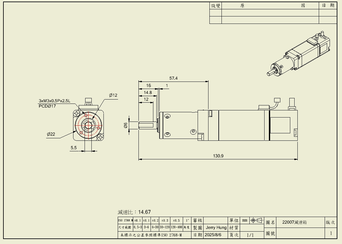
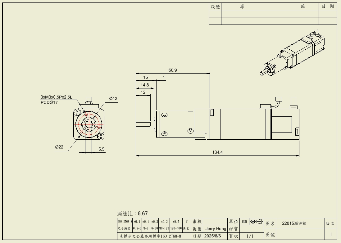
22007與22015內部設計尺寸圖
使用2階內齒輪,轉接板做了變更設計,消耗相同的內齒輪料件


2025年8月5日
客戶可直接將馬達結合底座後使用螺絲固定
2025年8月4日



目前IDP設計規格可與MAXON產品承受相同納稅

20250801




目前規劃客戶更換型號馬達


